EN
产品
科学分析仪器
工业分析与系统
光谱与成像
光源
光机械及元件
光学平台
运动控制与系统
拉曼光谱
Finder930全自动显微共焦拉曼光谱分析系统
RTS Ultra超高速高分辨显微共聚焦拉曼光谱仪
RTS2多功能激光共聚焦显微拉曼光谱仪
RTSmini经济型光纤共焦拉曼系统
RTS2-V超高真空原位光谱检测系统
Finder Insight Pro科研级小型拉曼光谱仪
RTS2-P系列特种探头拉曼光谱检测系统
RTS2-G系列气体拉曼检测仪
RTS2-Endoscopy医用内窥镜拉曼光谱测试仪
更多>>
荧光光谱/超快光谱
OmniFluo900稳态瞬态荧光光谱仪
Omni-fs-TA 飞秒瞬态吸收光谱系统
Omni-TAM900宽场飞秒瞬态吸收成像系统
OmniFluo990-Xray闪烁体的光谱、 寿命、成像、光产额测量
OmniFluo990-ST超快时间分辨光谱测试系统
超快光谱测试系统
飞秒微加工系统?
OmniFluo-FLIM显微荧光寿命成像系统
TL-900热释光测试系统
更多>>
红外光谱
FI-RXF100-G便携式高温傅里叶红外气体分析仪
FI-RXF100-R-T双通道双样品腔傅里叶红外光谱仪
FI-RXF100-R傅里叶变换红外光谱仪
FI-RXF100傅里叶变换红外光谱仪
FI-RXF200研究型傅里叶变换红外光谱仪
FI-RXF300V真空型傅里叶变换红外光谱仪
FI-RXM-S傅里叶变换近红外光谱仪
FI-RXMo100便携式傅里叶变换红外光谱仪
FI-RXT-TS傅里叶变换近红外光谱仪
更多>>
原子光谱
AA-9000系列原子吸收分光光度计
AA-5000系列原子吸收分光光度计
AA-2000系列原子吸收分光光度计
光电测试系统
SolarIV系列太阳能电池伏安特性测量系统
Sirius系列太阳光模拟器
Sirius-SS1600A大面积太阳模拟器
SCS600太阳能电池量子效率测试系统
SCS1000大面积太阳能电池量子效率测试系统
DSR300微纳器件光谱响应度测试系统
DSR600光电探测器光谱响应度标定系统
DSR500-LBIC微纳光电流成像测试系统
DSR800瞬态光电性能测试系统
更多>>
微区磁光及角分辨
MARS系列全自动显微角分辨光谱及成像系统
MAMOS系列微区磁光克尔及磁圆二色测试系统
MAPS-TR反射/透射光谱共聚焦扫描成像系统
MAPS-SHG系列偏振二次谐波扫描成像系统
MAPS-LBIC系列多功能光电流扫描成像系统
MAPS-Zscan系列测量三阶光学非线性的Z扫描系统
MAPS-LTMS系列低温/磁场微区光谱测试系统
MAPS-Software全自动化软件
综合光电性能测试系统
STS系列拉曼/荧光/光电流综合测试系统
RTS2-InSitu原位光谱测试系统
Finder-NV系列基于NV色心的ODMR与反聚束测试分析系统
EC-TERS电化学针尖增强拉曼l联用光谱测试系统
RTS2-Omni-Imager拉曼-高光谱联用显微光谱测试系统
RTS- SEMR拉曼-电镜联用光谱测试系统
RTS-LIBS拉曼-LIBS联用光谱测试系统
RTS-LTRS光镊拉曼联用光谱测试系统
透射/反射/吸收光谱
OmniTR透射、反射/吸收光谱测量系统
OmniDR漫反射率测量系统
OmniES发射光谱测量系统
拉曼光谱
Finder-Edge-785手持式拉曼光谱仪
FE1064-Pro手持式拉曼光谱仪
FI-FO便携式光纤探头拉曼光谱仪
FI-Lite液体池专用便携拉曼光谱仪
FI-RIR便携式红外拉曼一体机
FE785-Lite微型拉曼光谱仪
荧光光谱
SmartFluo-Pro三维荧光光谱仪
稳态瞬态荧光光谱仪配件
半导体光学参数检测
SPM900半导体晶圆缺陷与少子寿命测试系统
SPM300半导体晶圆应力& 载流子浓度测试系统
DSR300-DUV深紫外光电流测试系统
OmniFluo990-DUV 深紫外宽禁带半导体荧光测试系统
光谱仪/单色仪及附件
HiperS-320i消像差影像校正光谱仪
Omni-iSpecT高光通量透射式光谱仪
Omni-λ S系列影像校正光栅光谱仪
Omni-λ i系列影像校正光栅光谱仪
级联光谱仪
光谱仪/单色仪附件
科学级成像相机及模块
SIC系列纳秒级像增强型相机
FC系列可见光分幅相机
ST10系列皮秒级条纹相机
IIM系列像增强模组
测试系统
Flame image-C-LIF火焰自由基成像系统
LIBS-Lab 实验室元素分析测试系统
PlasmaD-TS等离子体诊断测试系统
PlasmaD-LIF等离子体诊断测试系统
LIBS-R900科研版LIBS分析系统
LIBS-E900实验室版LIBS分析系统
LIBS-OL900工业在线LIBS分析系统
LIBS-Multi900多模组LIBS综合测试系统
光谱相机及单点探测器
Dfield系列科学级光谱CCD相机
DField系列近红外线阵探测器
DSi系列硅光电探测器
PMTH系列光电倍增管
DInGaAs系列近红外单点探测器
DPbS系列近中红外单点探测器
DInAs系列近中红外单点探测器
DInSb系列近中红外单点探测器
DMCT系列中远红外探测器
更多>>
光纤光谱仪
SGM1700近红外光纤光谱仪
SGM30系列光纤光谱仪
可调单色光源
TLS系列可调单色光源
可调单色光源附件
氙灯及溴钨灯光源
150W氙灯光源
450W氙灯光源
溴钨灯光源 150W-250W
光催化氙灯光源 300W催化光源
超连续激光器
Gloria-SC-N超连续谱激光器-长脉宽系列
Gloria-SC-P超连续谱激光器-超短脉冲系列
Gloria-SC-P-UVE超连续谱激光器
超连续谱宽带可调滤波器
飞秒激光器
FFL-25高能量飞秒激光器
ZL-OPA系列掺镱类激光泵浦参量放大器
其他光源
复合光源
氘灯光源
多通道LED光源
氮化硅红外光源LSH-SiN40
波长校准光源
激光诱导高亮度白光光源
光源附件
光源附件
EQ光源附件
深紫外飞秒激光器
深紫外飞秒激光器
笼式与光学系统
笼式系统
光学系统
光学系统组件
光学元件调整架
反射/分束镜调整架
透镜调整架
偏振元件调整架
工业调整架
滤光片固定架
棱镜/圆柱体调整架
专用调整架/空间滤波
专用调整架
空间滤波产品
安装件/附件
接杆及杆架
光学调整架附件及其他
反射/分束镜
反射镜
分束镜
透镜/镜片组
透镜
扩束镜
显微物镜
滤光片
JSL系列窄带干涉滤光片
SIGMA KOKI窄带干涉滤光片
带通滤光片
中性密度滤光片(Neutral Density Filters)
SIGMA KOKI短波通滤光片
SWPF系列短波通滤光片
LWPF长波通滤光片
SIGMA KOKI长波通滤光片
SIGMA KOKI吸收型中性密度滤光片
更多>>
偏振元件及其他
偏振元件
激光窗口及毛玻璃
棱镜
激光器及其他
光学面包板
OTSB系列铝合金面包板
不锈钢面包板NTBB系列
NTBP系列不锈钢面包板
NTBR系列隔振面包板
NTBK系列蜂窝不锈钢面包板
阻尼隔振平台
SRB系列薄型阻尼隔振光学平台
SRP系列标准阻尼隔振光学平台
DRB系列薄型双频阻尼隔振光学平台
标准双频阻尼隔振光学平台DRP系列
DRN系列精密双频阻尼隔振光学平台
气浮隔振平台
NAP系列气浮隔振光学平台
TPR系列三线摆式气浮隔振平台
ZSR-P系列独立型气浮隔振光学平台
ZDR系列独立型气浮隔振光学平台
ZDH系列高性能独立型气浮隔振支撑腿
ZTP系列半膜片式气浮隔振光学平台
仪器架
OTNS系列隔振光学平台仪器支架
平台配件及应用案例
隔振平台应用实例
隔振光学平台拼接案例
低噪音无油空气压缩
RBP橡胶平垫
RBL橡胶垫脚
OTSB-HD100铝合金面包板把手
主动隔振光学平台
ZVI-FT系列气浮主动隔振平台
ZVI-ST系列钢弹簧主动隔振平台
ZVI-FV系列气浮并联负刚度主动隔振平台
ZVI-VB系列真空主动隔振平台
一体式主动隔振平台
欧库睿因i4系列桌面式主动隔振系统
Nano系列小型主动隔振平台
VarioBasic模块化手动负载调节隔振元件和控制器
Workstation 集成i4的人体工程学实验台
更多>>
低温低振光学测试平台
ColdTable低温低振光学测试平台
常温压电位移台
LSxxX.lab.O/R系列压电纳米线性位移台
LSxxZ.lab.O/R系列压电纳米线性升降台
RSxx.lab.O/R系列压电纳米旋转台
压电纳米角位移台
中空压电载物台
压电六轴并联系统Free6D.3-2.150系列
亚纳米物镜自动对焦台Carrier.OBHLxx.C.HV系列
SD15/30.x.C系列亚纳米高动态压电扫描台
亚纳米高负载压电扫描台SH30.xyz.C系列
更多>>
低温压电位移台
Linearxx-X极低温线性压电位移台
Linearxx-Z极低温线性压电升降台
极低温线性压电旋转台Rotatorxx-(optic)
Goniometerxx-theta/phi极低温线性压电摆动台
Scannerxx-xy/z极低温压电扫描台
电动滑台
电动直线滑台
电动升降台
电动旋转台
电动摆动滑台
并联多轴机器人
串联多轴系统
对位平台
手动位移台
光纤专用手动滑台
手动直线滑台
手动升降台
手动旋转台
手动摆动台
整体式手动滑台
组合式手动滑台
真空手动滑台
滑台专用附件及其他
控制器
Newton.Pro.xO/xR常温压电位移台控制器
MC-Newton.NxO/NxR常温压电位移台控制器
MC-NewtonLT.06系列低温压电位移台控制器
TMC-USB系列控制器
MC600系列控制器
ZC300系列运动控制器
SR2驱动器
SR4驱动器
光机电一体化系统
车载照明
显示测量
光通讯
半导体
3C&消费电子
激光雷达
自动化显微成像组件
自动化显微成像模组
纳米级位置传感
Faraday 系列电容式位置传感器
Fresnel-03 激光干涉仪
应用
材料科学
生物医学
食药环侦
环境科学
能源冶金矿物
科学研究
信息技术
先进制造
激光加工
光通信行业
商城
资源
客户实例
前沿视点
会议培训
专家讲座
技术文档
产品手册
产品说明书
服务
服务承诺
品质保证
售后服务
新闻
公司新闻
市场活动
前沿资讯
我们
关于卓立
加入我们
联系我们
EN
13810146393
在线咨询
在线咨询
首页
?
?
产品
科学分析仪器
工业分析与系统
光谱与成像
光源
光机械及元件
光学平台
运动控制与系统
?
?
应用
材料科学
生物医学
食药环侦
环境科学
能源冶金矿物
科学研究
信息技术
先进制造
激光加工
光通信行业
商城
?
?
资源
客户实例
前沿视点
会议培训
专家讲座
技术文档
产品手册
产品说明书
?
?
服务
服务承诺
品质保证
售后服务
?
?
新闻
公司新闻
市场活动
前沿资讯
?
?
我们
关于卓立
加入我们
联系我们
首页
>
产品
>
运动控制与系统
>
手动位移台
>
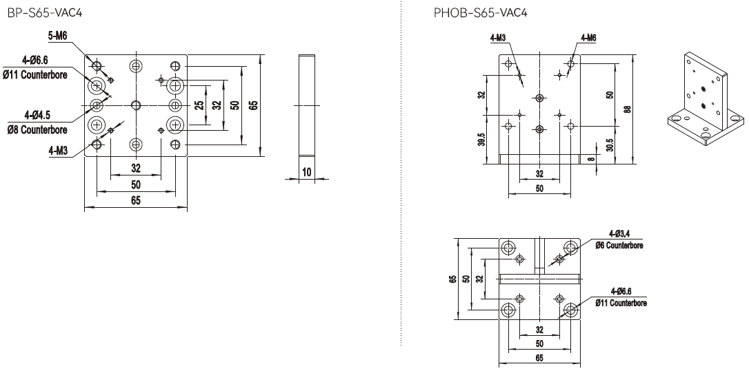
BP系列滑台专用底板(真空)
BP系列滑台专用底板(真空)
真空滑台专用底板,用来转接不同的真空滑台,方便实现组维
产品咨询
资料下载
产品资料
产品概述
产品概述
真空滑台专用底板,用来转接不同的真空滑台,方便实现组维
尺寸图: