应用领域
AA-2000 系列原子吸收分光光度计可广泛应用于冶金、石化、地质、医学、环保、科研、农业(土肥)、疾控、食品、材料科学、商检等领域。目前能分析的元素多达 70 余种,在微量和痕量的元素分析中有极为重要的应用。
主要特点
先进的光学系统
• 光学系统悬浮设计,震动、环境温度变化不影响仪器稳定性。
• 国内率先采用1800条/mm衍射光栅,能量充足,分辨率高。
• 单光束短光程光学系统,对砷、硒等元素亦有充足能量取得极低的检出限。
• 精心设计的氘灯扣背景技术和自吸收全波段扣背景技术,校正结果更精确。
先进的集成化设计
• 精心的一体化设计,将火焰原子化器、石墨炉以及石墨炉电源全部安装在一个主机内,实现仪器小型化。
• 优化的电源技术延长灯的使用寿命。
自动快速切换
• 便捷的切换式工作台,二秒实现火焰/石墨炉自动快速切换。
• 光路无需再调整。
可靠的安全保护系统
• 安全可靠的控制报警装置,确保做到空心阴极灯过流保护。
• 燃气/保护气欠压保护、燃气漏气报警、石墨炉过热保护以及火焰异常状态保护。
主要特点
**的可扩展性
• 可配备HG-01型陶瓷加热管氢化物发生装置,实现对As、Pb、Se、Hg、Bi、Sb、Sn、Te 的超微量准确分析。
• 可配备石墨炉自动进样器,自动配制标准溶液。
实现全自动分析。
• 可配备原子吸收火焰自动进样器。
• 可选配完善的笑气/乙炔气系统,分析三十余种高温元素。
自动化程度高
• 波长自动定位,狭缝自动切换, 灯电流、增溢自动设定。这些工作能在40s内完成,此指标达到目前国际先进水平。
• 六灯转塔旋转台,完全由计算机自动控制,快速定位,元素灯自动选择。真正实现样品中多达六个元素含量的自动有序分析。
• 自动点火,燃气流量自动控制,泄漏自动报警。
多元素分析功能
自动多元素测定:编辑方法后,配合AS-600型自动进样器,仪器可自动设置方法参数、自动选择波长、自动设置狭缝、自动调整元素灯位置、自动开关氘灯、自动切换原子化器,真正实现多元素的自动分析。
同项目多元素分析:可在同一项目中建立多个元素,顺序测定,并打印样品的综合报告。
增强功能
• 添加辅助气体
石墨炉的内气路可使用辅助气体,如氧气,使样品在灰化阶段充分去除有机组份,有效减少干扰,提高分析准确性。
• 燃烧头自动升降
能够自动寻找*佳火焰高度,自动选择*佳分析条件,确保分析结果准确可靠。
• 水封自动保护
浮子与电磁阀关联控制点火,防止因水封瓶缺水而造成的乙炔泄漏,进一步提高了安全性能。
仪器基本配置
本仪器为单光束仪器,原子化器为火焰原子化器/石墨炉原子化器,根据不同的原子化器和控制功能形成多种配置。
型号 |
配置 |
说明 |
AA-2000 |
单火焰 |
单火焰原子化器 |
单石墨炉 |
单石墨炉原子化器 |
标配型 |
火焰、石墨炉双原子化器 |
增强型 |
火焰、石墨炉双原子化器 |
原子吸收分光光度计成套性
1、主机
2、电脑、打印机、专用软件及反控接口
3、气源:空气压缩机
乙炔气(99.9%)(选配)
高纯氩气/氮气(99.99%)(选配)
4、元素灯(根据用户需要选择)
5、氢化物发生器(选配)
6、石墨炉自动进样器(选配)
7、火焰自动进样器(选配)
8、一体化自动进样器(选配)
9、石墨炉冷却水箱(选配)
10、备品备件和专用工具
六灯自动转塔
|
原子化等温分布图
|
纯钛燃烧头
|
人性化的进样口设计
|
炉体和石墨锥
|
优异的石墨炉系统
成熟、先进的纵向升温方式
石墨炉原子化温度*高可达3000℃,符合国家标准对镍、钼、钒、钴等高温元素石墨炉原子化温度的要求。
稳定性好
先进的光学系统保证了仪器的高光学能量,在使用石墨炉检测时的负高压比国内其它产品在同等条件下低(100~200)V(各元素匀能达到此程度),高信噪比保证了数据的稳定性。
*大进样量显著提高
特别设计的石墨炉使*大进样量高达70μL,有利于多次进样和低浓度样品分析。
背景校正能力强
具有连续光源氘灯背景校正系统及自吸收背景校正系统,可校正高达1A的背景干扰。
升温速率高
使用光学控温大大提高升温速率,实现快速原子化,提高分析灵敏度和准确度。
加热温度均匀、精密度高
独特的石墨炉设计保证了原子化时的等温效果,为取得高精度的数据提供了保障。
全钛雾化燃烧系统
采用航天高新技术,失蜡精密铸造工艺纯钛雾化室及燃烧头。
具有优异的抗腐蚀、抗氧化、抗老化能力,耐高温,使用寿命长。
人性化的进样口设计
进样口的设计减少了进样误差,使石墨炉进样变得简单,保证了即使手动进样也能取得良好的精密度。
设计先进的石墨炉
石墨锥磨损后可方便更换,保证了电极导电性能的稳定,大大提高了仪器分析效率。
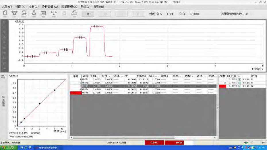
高度自动化的数据处理工作站
软件界面
• 友好的操作界面
基于Windows XP操作平台,多语言支持,如英文、韩文等,能够快速便捷地得出分析报告。
• 强大的样品分析功能及容错处理,灵活修改曲线拟合方程
• 报告打印功能
灵活的报告打印功能,根据用户设置选择不同的打印报告。
• 数据管理功能
实现对历史管理备份功能以及相关的后续处理,包括查询、编辑等功能。能够导出多种文件格式数据文件。
• QA/QC控制功能
系统自动判断分析结果是否适当,如果超出范围则系统自动按照设置需求重新测量。关于本系统的QA/QC功能主要包括:标准偏差(SD)检测、相对标准偏差(RSD)检测、相关系数检测、QC检测、基线漂移(灵敏度修正)检测、样品上限检测。
• 仪器控制功能
包括元素灯自动选择、波长自动扫描、狭缝自动切换、灯电流自动设定等。
• 状态监测功能
实时动态监测仪器各部件工作状态。火焰法:监测燃烧头类型(空气乙炔或笑气乙炔燃烧头),监测水封液位,监测燃气、助燃气开关及压力,监测燃气流量,乙炔漏气报警等。石墨炉法:过电流保护,监测水温、水流量,监测保护气压力等。
• 点灯时间管理功能
自动记录元素灯使用时间。
• 石墨炉使用次数监控
• 可选配药厂版软件,符合GMP认证需求
技术指标
• 光学系统
波长范围:(190~900)nm 光谱带宽:(0.1、0.2、0.4、1.0、2.0)nm五档自动切换
单色仪:C-T光栅单色仪波长准确度: ±0.1 nm
波长重复性: ≤0.05 nm 光栅刻线:1800条/mm
闪耀波长:250 nm 基线稳定性:≤0.003A/30min(动态)
分辨率:优于0.1 nm ≤0.002A/30min(静态)
• 火焰分析
Cu特征浓度:≤0.02 μg/mL/1% 检出限:≤0.003 μg/mL
精密度RSD:≤0.6% 燃烧头:可配100mm全钛燃烧头或50mm不锈钢燃烧头, 全钛雾化室
位置调节:高度、角度*佳调节,一分钟内完成火焰/氢化物换装
• 石墨炉分析
Cd特征量:0.3×10-12 g
温控范围:室温~3000℃
控温程序:*大20阶升温程序,阶梯、斜坡、保持三种升温方式
升温模式:功率升温和光控快速升温
检出限:0.2×10-12 g
精密度RSD:≤2%
光控升温速率:≥3000℃/秒
功率升温速率:≥2000℃/秒
• 背景校正
火焰、石墨炉均可实现背景校正。
校正方式:氘灯、自吸背景校正(可选)。
校正能力:在背景吸收值接近于1.0Abs时,仪器具有60倍以上的背景校正能力。
• 数据处理
测量方式:火焰吸收法,火焰发射法,石墨炉法,氢化物法。
分析方法:线性方程、非线性方程、标准加入法。
打印输出:校准曲线、信号图谱、仪器条件、分析参数和分析结果等均可自动存储和打印。
• 石墨炉电源内置的一体化主机
尺寸:880(长)×540(宽)×450(高)mm,125kg。
电源:~220V 50Hz 单相供电,主机500W,石墨炉5kW。
高精度石墨炉分析系统
石墨炉分析系统*重要指标是分析数据的重复性,超微量级分析对分析数据的精密度在不同含量水平上有不同的要求,各个行业都有明确地规定,一个合格的石墨炉分析系统必须能满足这一重要指标。此外还有准确的温度控制、性能优异的石墨管、快速升温电路、信号快速检测电路以及**的石墨炉分析操作软件等辅助手段保证分析数据的精密度。
边缘波长元素的高精度分析
处于原子吸收分析波长边缘区的代表元素是As(193.7nm)和Cs(852.1nm),它们的分析线能量低,处在仪器单色器光栅的低端和高端,因而将这两元素的分析性能用作仪器光学性能的评估。
图1 As的线性和精密度图
应用5μg/L的Cs溶液20μL连续七次手工进样获得的精密度2.95%(RSD)和应用30μg/L的As溶液20μL连续七次手工进样获得的精密度2.75%(RSD)均达到了石墨炉分析的**水平。
图2 Cs的线性和精密度图
鉴定元素Cd和高温元素Mo高精度分析
Cd在石墨炉分析中具有极高的灵敏度,因而在此选取其作为石墨炉分析性能的鉴定元素。Mo是一个在石墨炉中典型的易生成碳化物的高温元素,因而它的石墨炉分析数据往往反映石墨炉系统的高温性能、石墨管的品质和高温元素的灵敏度。
图3 Cd的线性和精密度图
应用1μg/L Cd溶液(国标使用3μg/L浓度)20μL连续七次手工进样获得的精密度0.95%(RSD)和应用40μg/L Mo溶液20μL连续七次手工进样获得的精密度1.49% (RSD),均达到了非常满意的精度。
图4 Mo的线性和精密度图
从两种元素的线性关系和不大于300伏的负高压值可看出该石墨炉系统具有很高的灵敏度和整机稳定性,即使像Mo这种高温低灵敏的元素也具有令人十分满意地灵敏度。
**的石墨炉设计
石墨管是石墨炉分析的核心部件。除了石墨材质的良好品质外,**的石墨管机械设计是形成等温和类等温状态的关键因素。图5是AA-2000仪器的石墨管剖面图和中间区的温度示意图。
图5 石墨管剖面图
为了取得原子化区的等温条件,在石墨管中部加入两个小内径的环,同时加薄两环间的管壁从而增大了电流密度保证了在8mm长、170mm3容积内形成几近等温的原子化条件,有利于提高灵敏度、降低干扰并提高了测量精度。经测定证实在这8mm长的原子化区域内呈现出等温分布(图6)。并且这种设计能够容纳高达70μL的样液。
图6 石墨炉温度分布图
从以上三方面以实测结果可看出AA-2000原子吸收分光光度计的石墨炉分析系统具有**的测定准确度和精密度,是国内石墨炉原子吸收分光光度计中少见的高精度石墨炉分析系统,加之它是一个低功耗的小型石墨炉(*大5kW,220V),更有利于在实验室中配置,所以是一个成熟的、可与国外先进石墨炉媲美的石墨炉分析系统。
HG-01型氢化物发生器
蠕动泵进样、电热陶瓷加热石英管原子化器,能对原子吸收法灵敏度较低的八种元素(As、Se、Hg、Pb、Bi、Sb、Sn、Te)进行高灵敏度的超微量分析,操作简便、分析速度快、干扰少,可方便地与原子吸收光谱仪配接,进行氢化物——原子吸收法测定。
特 点
•蠕动泵三通道连续进样方式,每分钟进样量为(1~5)mL。
• 选用美国Tygon耐磨长寿命泵管,泵管寿命长达(500~1000)h。
• 采用电热陶瓷管加热方式,寿命长、抗氧化、无污染,安全可靠,即使在1000℃高温下长期加热,也不会对石英管造成损伤。
• 升温速度快,控温范围为(室温~950)℃,控温精度为±2℃,能够对*佳原子化温度准确选定。
• 整机结构紧凑、小巧美观,可方便地安装在原子吸收雾化室轴座上。
AS-500型石墨炉自动进样器
多功能高精度的石墨炉自动进样器。在石墨炉分析时由于配接了本装置,使得分析精度(RSD)优于1%。自动配制各种溶液浓度及自动添加化学改进剂,使分析工作变得准确简便,并大大减轻繁琐的配液制样工作。真正实现无人监管的全自动化石墨炉分析。
特 点
• *多可放置70个样品杯和6个用于放储备液、空白溶液及化学改进剂的25ml玻璃杯。
• 屏幕显示导引每一步的操作程序,使您很方便地设置各项功能。
• 自动制作校准曲线。自动地从单一标准溶液中配制出多达20个不同浓度的标准,直接注入石墨管。
• 自动取液精度达到0.1μL,并保持石墨管内进样点始终不变,分析精度优于1%。
• 从吸取每个样品到吸取不同标样及化学改进剂均由计算机控制全自动进行。
• 同一样品*多可重复99次分析。*大进样量达70μL。
• 全部溶液注入后,自动启动石墨炉加热程序。
• 每次进样结束后系统立即进入自动清洗程序,解决了样品污染的问题。
AS-600型火焰石墨炉自动进样器一体机
• *多可放置133个样品杯(含5个试剂杯),支持多种进样盘及塑料和石英进样管。
• 一次安装,切换方法时不用搬动进样器主机,即可实现火焰石墨炉自动进样,不使用进样器时,也不用拆卸即可手动进样。
• 软件可控制取样深度及进样深度。
• 从吸取每个样品到吸取不同标样及化学改进剂均由计算机控制全自动进行。
• 全部溶液注入后,自动启动石墨炉加热程序。
• 每次进样结束后系统立即进入自动清洗程序,解决了样品污染的问题。
• 自动稀释功能。
AS-200型原子吸收火焰自动进样器
• 具有123个样品位置,6个储备液、空白溶液等位置。
• 原吸工作站反控自动设定进样时间、次数。
• 自动清洗。
EW-320AC型无油低噪音空压机
• 采用双缸活塞式压缩机,运行平稳可靠,纯净无油。
• 采用三级过滤(两级进气过滤、一级出气过滤),过滤更加精细,气体纯净。
• 专业为原子吸收分光光度计提供纯净、恒压、干燥压缩空气。
型号 |
气流量 |
调压范围 |
宽深高(mm) |
特点 |
备注 |
EW-320AC |
20L/min |
0.005~0.3 Mpa |
400×300×635 |
无油双活塞压缩机箱式静音 |
手动排水 |
EW-900CH型冷却水循环装置
EW-900CH型冷却水循环装置是专为高品质需求而设计,配置齐全,保护和报警系统完善,能满足各行业的应用;独有的多重可选净化水质的配置,确保水质洁净;具有多种报警与输出接口,可提供水位报警信号、超温报警信号、水流报警信号。所有配置可根据用户的具体要求定制。
特 点
• 大容量开口浴槽,便于清洗,方便进行恒温水浴实验。
• 多种报警保护,包括水位报警、水流报警、超温报警。
• 多重可选净化水质配置:
一重选择:全不锈钢水路,水质洁净;
二重选择:内置过滤装置,保证水质。