EN
首页 > 产品 > 光谱与成像 > 光谱仪/单色仪及附件 > Omni-λ500i系列“影像谱王”光栅单色仪/光谱仪

Omni-λ500i

Omni-λ500i系列“影像谱王”光栅单色仪/光谱仪

光栅采用68x68mm(68x84mm)大面积光栅,提高了光收集效率;适应不同光谱波段使用的光栅选择,覆盖UV-IR全波段范围;针对红外(>1um)波段的*优化设计,光学镜片采用镀金膜设计,提高红外光反射效率;
产品咨询
资料下载
产品概述

 

Omni-λ500i系列“影像谱王”光栅单色仪/光谱仪功能及特点

  • 标准配置手动狭缝,自动狭缝可选;
  • 双出口可同时配置两个CCD;
  • 侧入口可接电子快门;
  • 采用C-T结构设计,采用超环面影像校准设计;
  • 多光栅塔台设计,更好的发挥了仪器覆盖UV-VIS-IR全波段光谱范围的优势,并可根据需要更加灵活的选择光谱范围和分辨率;
  • 光栅采用68x68mm(68x84mm)大面积光栅,提高了光收集效率;适应不同光谱波段使用的光栅选择,覆盖UV-IR全波段范围;针对红外(>1um)波段的*优化设计,光学镜片采用镀金膜设计,提高红外光反射效率;
  • 更好的杂散光抑制比,达到1x10-5;
  • 仪器的控制(如光栅转换、波长扫描等)全部由计算机控制,并用 USB2.0接口取代传统的RS-232接口,不仅使仪器的连接更加简单化更极大提高了通讯速率;
  • 采用DSP芯片控制设计使得多出入口的选择更加具有灵活性,可根据需要选择双入、出口;双入、出口的控制通过计算机软件自动控制,定位更精*;
  • 可灵活与卓立光源、探测器(单点探测器和阵列CCD等)组合搭建,实现任意光谱系统解决方案,如荧光、拉曼、透射/反射、吸收光谱及光源发射光谱系统等。

规格参数表(@1200g/mm光栅)

Omni-λ500i系列

焦距(mm)

500

相对孔径

F/6.5

光学结构

C-T

扫描步距(nm)

0.005

杂散光

1X10-5

焦平面(mm)

30 (w)X14 (h)

光轴高度(mm)

146

光栅规格mm

68X68

光栅台

三光栅

狭缝规格

缝宽0.01-3mm连续手动可调,可选配自动狭缝。缝高:2、4、14mm可选

外形尺寸(mm)

550X288X232

重量(Kg)

22

功耗

峰值100W@24V

通讯接口

标配USB2.0,可选RS-232

规格参数表@不同光栅

光栅(g/mm)

2400

1800

1200

600

300

150

75

倒线色散(nm/mm)

@435.83nm

 

0.6

 

0.91

 

1.49

 

3.15

 

6.43

 

12.97

 

26.05

机械扫描范围(nm)

0-600

0-800

0-1200

0-2400

0-4800

0-9600

0-19200

扫描步距(nm)

0.0025

0.0035

0.005

0.01

0.02

0.04

0.08

光谱分辨率(nm)

@单点探测器

 

0.03

 

0.04

 

0.05

 

0.1

 

0.2

 

0.4

 

0.8

光谱分辨率(nm)

@CCD(15um)

 

0.045

 

0.069

 

0.11

 

0.238

 

0.486

 

0.98

 

1.97

CCD单次摄谱范围(nm)

@30mmCCD

 

18

 

27.3

 

44.7

 

94.5

 

192.9

 

389.1

 

781.5

波长准确度(nm)

±0.1

±0.14

±0.2

±0.4

±0.8

±1.6

±3.2

波长重复性(nm)

0.015

0.02

0.025

0.05

0.1

0.4

0.8

注1:分辨率的测试条件为中心波长435.83nm;

注2:CCD一次摄谱范围、倒线色散为中心波长为435.83nm下的典型值,随着中心波长增加,摄谱范 围变窄。

注3:随着中心波长的增大,倒线色散数值减小,随着中心波长的减小,倒线色散数值增大。

典型型号表

型号

描述

Omni-λ5004i

500mm焦距影像校正光谱仪,侧入口、CCD双出口、可同时安装三块光栅

Omni-λ5005i

500mm焦距影像校正光谱仪,侧入口、狭缝直出口、可同时安装三块光栅

Omni-λ5006i

500mm焦距影像校正光谱仪,侧入口、CCD直出口、可同时安装三块光栅

Omni-λ5007i

500mm焦距影像校正光谱仪,侧入口、狭缝双出口、可同时安装三块光栅

Omni-λ5008i

500mm焦距影像校正光谱仪,侧入口、CCD直出口、狭缝侧出口、可同时安装三块光栅

Omni-λ5015i

500mm焦距影像校正光谱仪,侧入口、狭缝直出口、可同时安装三块光栅,红外镀膜

Omni-λ5017i

500mm焦距影像校正光谱仪,侧入口、狭缝双出口、可同时安装三块光栅,红外镀膜

Omni-λ5024i

500mm焦距影像校正光谱仪,双入口、CCD双出口、可同时安装三块光栅

Omni-λ5027i

500mm焦距影像校正光谱仪,双入口、狭缝双出口、可同时安装三块光栅

Omni-λ5028i

500mm焦距影像校正光谱仪,双入口、CCD直出口、狭缝侧出口、可同时安装三块光栅

Omni-λ5047i

500mm焦距影像校正光谱仪,侧入口、狭缝双出口、可同时安装三块光栅,紫外增强镀膜

Omni-λ5048i

500mm焦距影像校正光谱仪,侧入口、CCD直出口、狭缝侧出口、可同时安装三块光栅,紫外镀膜

注1:本型号系列,为手动狭缝(电动狭缝需要额外选择);

注2:本型号系列,需要额外选配光栅,*多可配置3块光栅;

注3:本型号系列,不包含CCD接口法兰、滤光片轮、快门,这些附件需要额外选择;

注4:更多配置型号,请咨询本公司相关销售。

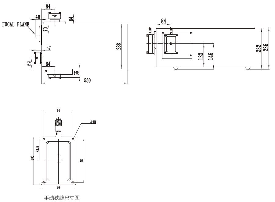
典型光谱仪Omni-λ5028i外形尺寸图:


Omni-λ500i入口

Omni-λ500i出口

 

光栅规格型号表1:光栅(本系列适用于Omni-λ300i、Omni-λ500i、Omni-λ750i等系列光谱仪)

注:凡蓝色标注的均为常备库存光栅,建议优先选择

Model

Range(nm)

Grooves(g/mm)

Blaze(nm)

Size(mm)

Holographic

 

 

 

 

 

 

 

 

1-360-180-500-NP

180-400

3600

300

68 x 68

1-240-250-600-NP

250-600

2400

300

68 x 68

1-240-190-800-NP

190-600

2400

250

68 x 68

1-200-300-900-NP

300-720

2000

475

68 x 68

1-180-350-900-NP

350-800

1800

500

68 x 68

1-180-190-900-NP

190-800

1800

250

68 x 68

1-120-190-800-NP

190-800

1201.6

250

68 x 68

1-120-400-1200-NP

400-1200

1200

700

68 x 68

Ruled

 

 

 

 

 

 

 

 

1-240-240-NP

190-600

2400

240

68 x 68

1-240-300-NP

250-600

2400

300

68 x 68

1-180-400-NP

300-800

1800

400

68 x 68

1-180-500-NP

350-800

1800

500

68 x 68

1-120-250-NP

200-500

1200

250

68 x 68

1-120-300-NP

200-600

1200

300

68 x 68

1-120-400-NP

200-1000

1200

400

68 x 68

1-120-500-NP

350-1100

1200

500

68 x 68

1-120-750-NP

500-1200

1200

750

68 x 68

1-090-550-NP

350-1600

900

550

68 x 68

1-083-1200-NP

700-1700

830

1200

68 x 68

1-060-300-NP

200-600

600

300

68 x 68

1-060-500-NP

330-1000

600

500

68 x 68

1-060-750-NP

500-1500

600

750

68 x 68

1-060-1000-NP

650-2200

600

1.0 µm

68 x 68

1-060-1200-NP

800-2400

600

1.2 µm

68 x 68

1-060-1600-NP

1-2.4 µm

600

1.6 µm

68 x 68

1-030-300-NP

200-600

300

300

68 x 68

1-030-500-NP

300-1000

300

500

68 x 68

1-030-760-NP

450-1500

300

760

68 x 68

1-030-1000-NP

600-2000

300

1000

68 x 68

1-030-1200-NP

800-2200

300

1200

68 x 68

1-030-2000-NP

1.4-4 µm

300

2.0 µm

68 x 68

1-030-3000-NP

2-4.8 µm

300

3.0 µm

68 x 68

1-015-300-NP

200-600

150

300

68 x 68

1-015-500-NP

330-1100

150

500

68 x 68

1-015-800-NP

400-1600

150

800

68 x 68

1-015-1000-NP

600-2000

150

1090

68 x 68

1-015-1250-NP

800-2500

150

1250

68 x 68

1-015-2000-NP

1.1-4 µm

150

2 µm

68 x 68

1-015-3000-NP

2.2-6 µm

150

3 µm

68 x 68

1-015-4000-NP

2.5-8 µm

150

4 µm

68 x 68

1-0075-8000-NP

6-16 µm

75

8 µm

68 x 68

1-0075-10000-NP

6-18 µm

75

10 µm

68 x 68

1-0075-12000-NP

9-20 µm

75

12.0 µm

68 x 68

1-0050-12000-NP

8-22 µm

50

12 µm

68 x 68

光栅规格型号表2:经济型光栅(本系列适用于Omni-λ300i、Omni-λ500i、Omni-λ750i等系列光谱仪)

注:凡蓝色的标注的均为常备库存光栅,建议优先选择

型号

使用范围(nm)

光栅刻线(g/mm)

闪耀波长(nm)

规格尺寸(mm)

刻划光栅

 

 

 

 

 

 

 

 

1-180-500

350-800

1800

500

68×68

1-120-300

200-600

1200

300

68×68

1-120-500

350-1000

1200

500

68×68

1-120-750

500-1200

1200

750

68×68

1-060-300

200-600

600

300

68×68

1-060-500

330-1000

600

500

68×68

1-060-750

500-1500

600

750

68×68

1-060-1000

650-2200

600

1000

68×68

1-060-1250

800-2400

600

1250

68×68

1-060-1600

1-2.4um

600

1600

68×68

1-030-500

300-1000

300

500

68×68

1-030-750

450-1500

300

750

68×68

1-030-1000

600-2000

300

1000

68×68

1-030-1250

850-2500

300

1250

68×68

1-030-1800

1.2-3.6um

300

1800

68×68

1-030-2000

1.4-4um

300

2000

68×68

1-030-3000

2-4.8um

300

3000

68×68

1-015-500

350-1000

150

500

68×68

1-015-4000

2.5-8um

150

4000

68×68

典型光栅效率曲线