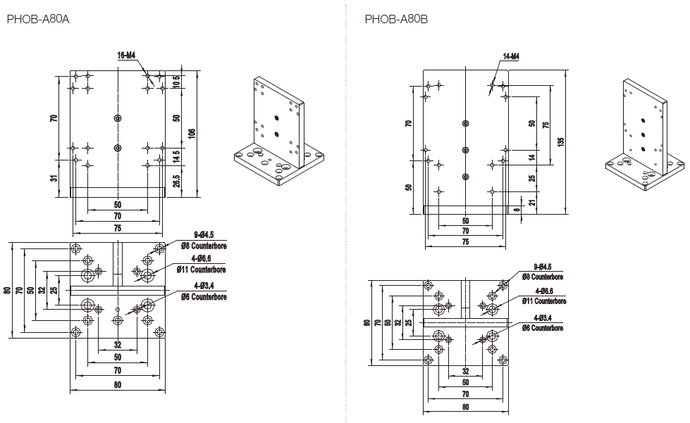
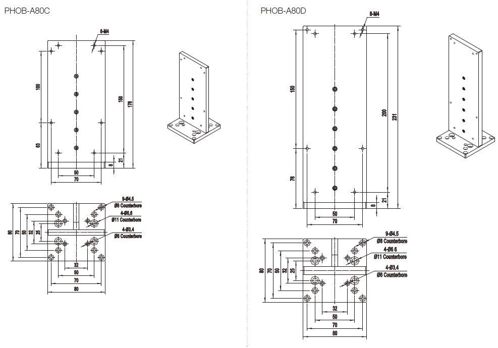
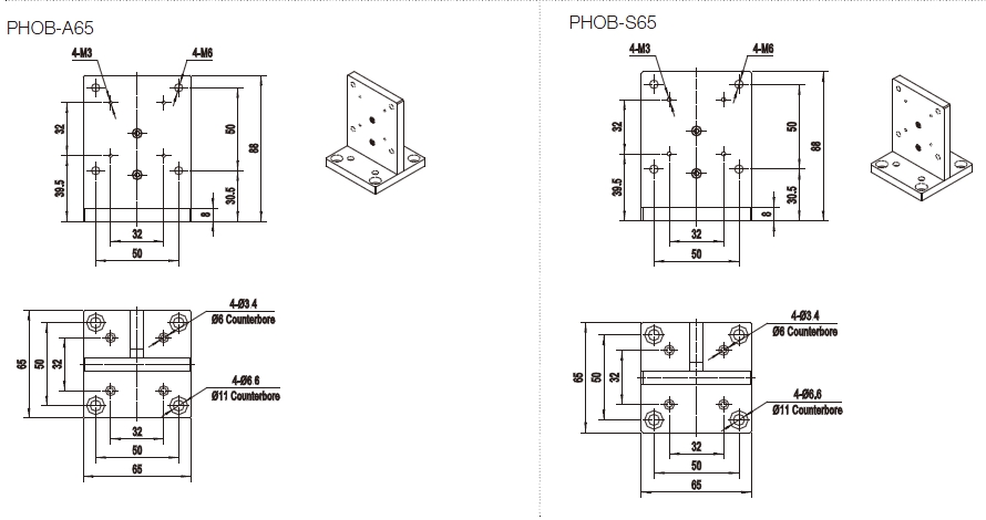
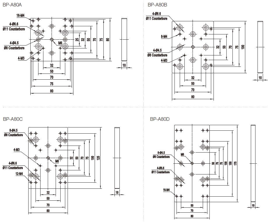
型号 |
行程(mm) |
驱动形式 |
最小读数(mm) |
螺距(mm) |
重量 |
安装尺寸(mm) |
产地 |
J-MHF2-13
|
粗调:13 |
粗/微调 |
粗调:0.01 |
粗调:0.5 |
0.1 |
Φ9.5×11 |
日本 |
微调:0.2 |
微调:0.0005 |
微调:0.025 |
|||||
J-MHF2-13F
|
粗调:13 |
粗/微调 |
粗调:0.01 |
粗调:0.5 |
0.1 |
Φ9.5×5.5 |
日本 |
微调:0.2 |
微调:0.0005 |
微调:0.025 |
|||||
CF2-13F
|
粗调:13 |
粗/微调 |
粗调:0.01 |
粗调:0.5 |
0.1 |
Φ9.5×5.5 |
中国 |
微调:0.2 |
微调:0.0005 |
微调:0.025 |
型号 |
端面类型 |
有效行程 (mm) |
调节螺距 (mm) |
安装直径 (mm) |
安装长度 (mm) |
总体长度 (mm) |
ACSM25-1 |
平端 |
25 |
0.5 |
φ11 |
16.5 |
97 |
ACSM25-2 |
球端 |
25 |
0.5 |
φ11 |
16.5 |
99.6 |
Copyright ? 2020 Zolix .All Rights Reserved 地址:北京市通州区中关村科技园区通州园金桥科技产业基地环科中路16号68号楼B.
ICP备案号:京ICP备05015148号-1
公安备案号:京公网安备11011202003795号