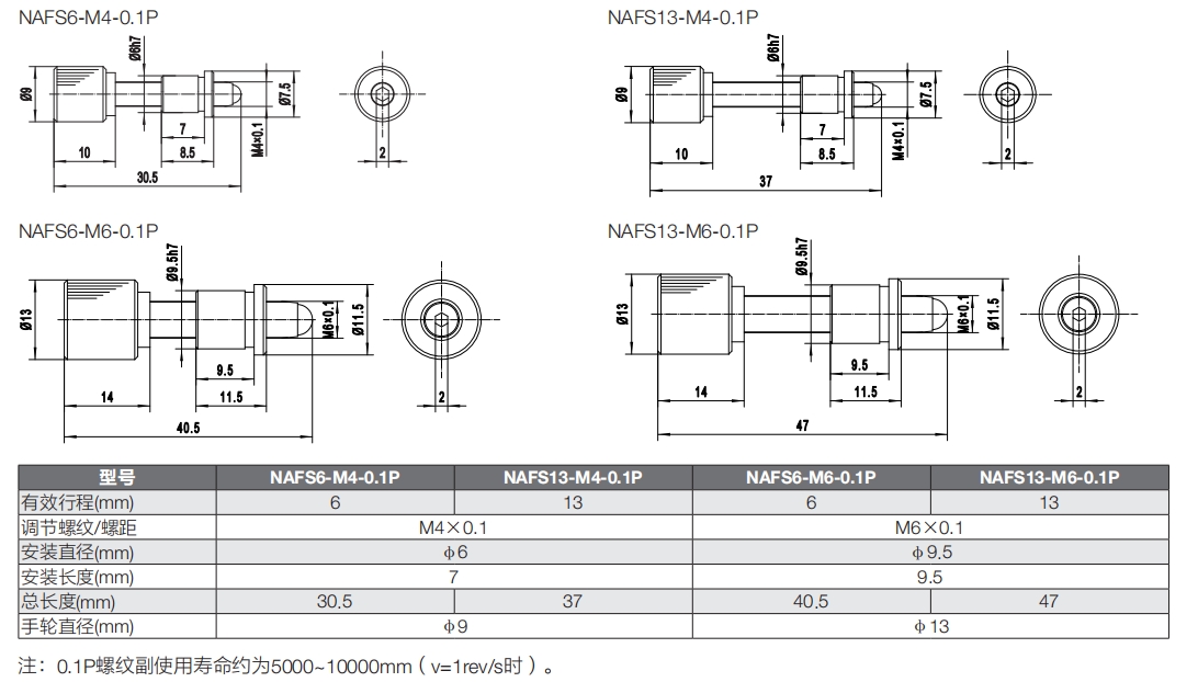
NAFS系列螺纹副
快盈lV在原有ACFS系列螺纹副的基础上,进一步提升制造工艺,开发出螺距为0.1mm/0.2mm的NAFS系列螺纹副,进一步提高灵敏度,可以更加便捷的进行非定量精密调节。
-
产品咨询
-
资料下载
型号 |
PDF图纸 |
3D图纸 |
NAFS6-M4-0.1P |
|
 |
NAFS13-M4-0.1P |
 |
 |
NAFS6-M6-0.1P |
 |
 |
NAFS13-M6-0.1P |
 |
 |
NAFS6-M4-0.2P |
 |
 |
NAFS13-M4-0.2P |
 |
 |
NAFS6-M6-0.2P |
 |
 |
NAFS13-M6-0.2P |
 |
 |
AUS12.7-3.0 |
 |
 |
AUS25.4-3.0 |
 |
 |
NLXY25.4-6.0 |
 |
 |
NLXY50.8-6.0 |
 |
 |