|
型号 |
CXZ10-120 |
机械规格 |
行程(mm) |
10 |
台面尺寸(mm) |
120×120 |
|
传动机构 |
滚珠丝杠Φ8,导程2mm |
|
导轨交叉 |
滚柱导轨 |
|
主体材料及表面处理 |
铝合金,黑色阳极氧化处理 |
|
自重(kg) |
2.6 |
|
精度规格 |
分辨率(整步/半步,μm) |
5 / 2.5 |
20细分下的分辨率(μm) |
0.25 |
|
最大速度(mm/s)* |
10 |
|
重复定位精度(μm) |
≤±2.5 |
|
回程间隙(μm) |
≤5 |
|
静态平行度(mm) |
≤0.1 |
|
运动直线度(μm) |
≤30 |
|
电气规格 |
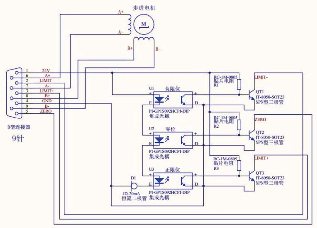
电机及步距角(°) |
二相42步进,1.8 |
电机品牌及型号 |
信浓,SST43D2126-10 |
|
工作电流(A) |
1.7 |
|
电机保持转矩(mN·m) |
456 |
|
驱动器品牌及型号(另配) |
鸣志,SR2 |
|
滑台接头 |
DB9(针) |
|
滑台接头线缆类型 |
普通线缆 |
|
滑台接头线缆长度(m) |
0.2 |
|
限位传感器(内置) |
2个GP1S09xHCPI( 日本SHARP) |
|
原点传感器(内置) |
1个GP1S09xHCPI( 日本SHARP) |
|
传感器电源电压 |
DC5~24V±10% |
|
控制输出 |
NPN开路集电极输出; DC5~24V 8mA以下; 残留电压0.3V以下( 负载电流2mA时) |
|
输出逻辑 |
检测( 遮光) 时; 输出晶体管ON( 导通) |
|
负载水平 |
负载(Kg) |
8 |
Copyright ? 2020 Zolix .All Rights Reserved 地址:北京市通州区中关村科技园区通州园金桥科技产业基地环科中路16号68号楼B.
ICP备案号:京ICP备05015148号-1
公安备案号:京公网安备11011202003795号